Physical Address
304 North Cardinal St.
Dorchester Center, MA 02124
Physical Address
304 North Cardinal St.
Dorchester Center, MA 02124

Cột bê tông cốt thép là một trong những bộ phận quan trọng và không thể thiếu trong kết cấu của các công trình xây dựng hiện đại. Nhờ sở hữu nhiều ưu điểm vượt trội về độ bền, khả năng chịu lực cao và tuổi thọ lâu dài, cột bê tông cốt thép ngày càng được ứng dụng rộng rãi trong nhiều loại công trình khác nhau. Trong bài viết này, chúng tôi sẽ cung cấp đầy đủ thông tin về đặc điểm, cấu tạo, phân loại, tiêu chuẩn thiết kế, quy trình thi công cũng như các lưu ý quan trọng giúp bạn lựa chọn và sử dụng cột bê tông cốt thép hiệu quả, tối ưu nhất.
Cột bê tông cốt thép (BTCT) là một trong những loại cấu kiện chịu lực chủ yếu trong ngành xây dựng, thường được sử dụng để truyền tải trọng từ các sàn và dầm xuống móng. Sự kết hợp giữa bê tông và thép mang lại cho cột khả năng chịu lực nén tốt, đồng thời hạn chế các vết nứt do co ngót, giúp tăng cường độ bền của kết cấu.
Theo tiêu chuẩn TCVN 5547-2018, cột bê tông cốt thép đảm bảo chịu lực cắt hiệu quả, điều này rất quan trọng trong việc đảm bảo an toàn cho các công trình, đặc biệt trong những vùng có địa hình không ổn định. Thi công cột BTCT bao gồm các bước lắp đặt cốt thép, dựng cốp pha và đổ bê tông, tạo nên một khung cột vững chắc.
Cột bê tông cốt thép không chỉ xuất hiện trong các công trình dân dụng như nhà ở mà còn được ứng dụng rộng rãi trong cầu đường, mố trụ cầu hay tháp trụ cầu dây văng, cho thấy tính linh hoạt trong thiết kế. Bê tông và cốt thép cùng hỗ trợ lẫn nhau, giúp cột BTCT sở hữu những ưu điểm vượt trội, đáng tin cậy cho mọi công trình xây dựng.

Cột bê tông cốt thép đang trở thành lựa chọn ưu việt cho nhiều công trình xây dựng với độ bền nổi bật. Nhờ khả năng chịu trọng tải và lực nén tốt, chúng không chỉ đảm bảo kết cấu vững chắc mà còn giúp giảm thiểu rủi ro trong quá trình sử dụng. Điều đặc biệt là cột bê tông cốt thép còn có khả năng chịu lửa tuyệt vời; chúng không dẫn nhiệt và không bén lửa, giúp người dùng yên tâm hơn trong việc bảo vệ công trình khỏi nguy cơ cháy nổ.
Ngoài ra, cột bê tông cốt thép dễ thi công nhờ tính chất của bê tông tươi, cho phép định hình linh hoạt theo thiết kế. Một ưu điểm khác là khả năng sản xuất theo dây chuyền công nghiệp, giúp kiểm soát chất lượng một cách hiệu quả. Nhờ vậy, quá trình thi công trở nên nhanh chóng, tiết kiệm cả thời gian và chi phí, đặc biệt phù hợp cho những dự án xây dựng qui mô lớn.
Cuối cùng, tuổi thọ cao và khả năng duy trì sự ổn định trong kết cấu là điểm cộng lớn của bê tông cốt thép. Những ưu điểm này đã khiến nó trở thành sự lựa chọn hàng đầu cho các nhà thầu và chủ đầu tư.

Cột bê tông cốt thép (BTCT) là một trong những giải pháp xây dựng quan trọng và phổ biến tại Việt Nam. Điều đặc biệt ở cột BTCT là hệ số giãn nở giữa bê tông và cốt thép tương đương nhau, giúp chúng có khả năng thích ứng tốt với những thay đổi của môi trường mà không làm giảm chất lượng. Nhờ đó, cột BTCT có độ bền cao và khả năng chịu tải trọng lớn, rất thích hợp cho các công trình xây dựng lớn.
Một trong những ứng dụng nổi bật của cột BTCT là trong thi công các công trình hạ tầng như cầu đường, cột hàng rào dân dụng và công nghiệp, hay cột tường chắn đất. Việc áp dụng giải pháp bán lắp ghép cho các cấu kiện có hình dạng tương đồng và số lượng lớn giúp tiết kiệm thời gian và tăng hiệu suất thi công.
Hơn nữa, cọc bê tông cốt thép cũng có khả năng chịu lực cắt tốt, hạn chế các vết nứt phát sinh từ hiện tượng co ngót của bê tông. Nhờ vào sự kết hợp hoàn hảo giữa bê tông và cốt thép, cột BTCT đã chứng minh được vai trò quan trọng trong ngành xây dựng, mang lại tuổi thọ lâu dài cho công trình.

Cột bê tông cốt thép là một trong những phần thiết yếu trong kết cấu công trình xây dựng, có nhiệm vụ truyền tải trọng từ hệ dầm và sàn từ tầng trên xuống tầng dưới. Cụ thể, cột thường được làm từ sự kết hợp của bê tông – một vật liệu cực tốt trong việc chịu nén, và cốt thép – mang lại khả năng chịu kéo. Đối với cốt thép trong cột, đường kính thường được chọn trong khoảng từ ø12 đến ø40 mm, tùy thuộc vào yêu cầu thiết kế.
Khi thiết kế cột, cần lưu ý tới số lượng và kích thước của thanh thép dọc. Nếu bề rộng mặt bên không lớn hơn 400mm và chỉ sử dụng 4 thanh thép dọc ở mặt bên, có thể sử dụng một cốt đai ôm tất cả các thanh này, giúp tối ưu hóa kết cấu. Đặc biệt, kỹ thuật xác định chiều dài neo cốt thép trong bê tông cũng đóng vai trò quan trọng, đảm bảo cột có thể chịu được các tải trọng lớn.
Đây là quy trình mà các kỹ sư kết cấu thường phải chú ý, đảm bảo rằng các yếu tố như chịu lực ngang, khả năng chống thấm cũng được cân nhắc trong thiết kế cột bê tông cốt thép.

Phân loại cột bê tông cốt thép chủ yếu dựa trên chất liệu và hình dáng của chúng. Cột bê tông cốt thép được xem là loại phổ biến nhất trong xây dựng hiện đại nhờ vào sự kết hợp ưu việt giữa bê tông và thép. Bê tông có khả năng chịu nén tốt, trong khi thép có khả năng chịu kéo xuất sắc. Do đó, cột bê tông cốt thép thường được sử dụng trong các công trình dân dụng như nhà ở, cầu đường, hoặc các công trình công nghiệp.
Ngoài cột bê tông cốt thép, còn nhiều loại cột khác như cột thép, cột gỗ, cột gạch, cột composite, cột đá và cột khối. Mỗi loại cột có những đặc điểm và ứng dụng riêng. Ví dụ, cột thép thường được ưa chuộng trong các công trình yêu cầu khả năng chịu lực cao nhưng nhẹ. Trong khi đó, cột gỗ mang lại vẻ đẹp tự nhiên và sử dụng nhiều trong kiến trúc truyền thống.
Đặc biệt, trong thế giới cột bê tông cốt thép, chúng còn có các dạng hình tròn và vuông, từ đó đáp ứng được nhiều yêu cầu thiết kế khác nhau. Nhìn chung, việc lựa chọn loại cột phụ thuộc vào yêu cầu kỹ thuật của từng công trình và tính chất của địa hình nơi xây dựng.

Tiêu chuẩn TCVN 5574-2018 quy định các yêu cầu thiết kế kết cấu bê tông và bê tông cốt thép cho các công trình xây dựng với chức năng khác nhau, đặc biệt là các loại cột điện. Tiêu chuẩn này áp dụng cho cột bê tông cốt thép được sản xuất theo phương pháp ly tâm, giúp đảm bảo độ bền và tính năng chịu lực của công trình.
Một điểm đáng chú ý là tiêu chuẩn còn đề cập đến việc sử dụng nhiều loại bê tông khác nhau như bê tông nặng, bê tông hạt nhỏ và bê tông nhẹ. Điều này tạo ra sự linh hoạt trong thiết kế, phù hợp với nhiều loại công trình. Những yêu cầu mới về tải trọng và tác động, cập nhật theo TCVN 2737:2023, cũng đóng vai trò quan trọng trong việc nâng cao khả năng chịu đựng của kết cấu.
Ngoài ra, tiêu chuẩn còn quy định các yêu cầu cụ thể về công tác ván khuôn, cốt thép và chuẩn bị hỗn hợp bê tông. Việc tuân thủ các tiêu chuẩn này sẽ giúp các kỹ sư và nhà thầu đảm bảo an toàn và chất lượng cho các công trình thi công.

Quy trình thi công cột bê tông cốt thép là một chuỗi các bước quan trọng đảm bảo tính chính xác và độ bền cho công trình. Đầu tiên, việc định vị cột là nền tảng của quá trình. Người thi công sử dụng máy toàn đạc để xác định vị trí và hình dạng của cột, cũng như các mốc cho ván khuôn. Đánh dấu bằng bút xóa và bật mực giúp tạo ra những điểm chuẩn rõ ràng.
Tiếp theo, công đoạn lắp dựng cốt thép diễn ra. Đây được coi là khung xương vững chắc cho cột, và cần chú ý kiểm tra vị trí cốt thép để đảm bảo không có sai sót. Sau khi cốt thép đã được lắp dựng hoàn chỉnh, bước làm khuôn bằng cốp pha sẽ được thực hiện. Cốp pha giữ vai trò quan trọng trong việc định hình cho bê tông sau khi đổ.
Cuối cùng, quá trình đổ bê tông diễn ra và cần phải kiểm tra kỹ lưỡng trước khi tháo cốp pha. Sau khi bê tông đạt độ cứng mong muốn, việc bảo dưỡng đảm bảo cho kết cấu cột bền vững và chịu lực tốt. Quy trình này đòi hỏi sự tỉ mỉ, kỹ lưỡng từ các kỹ sư và công nhân để tạo ra một sản phẩm hoàn hảo.

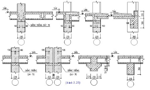
Kích thước cột bê tông cốt thép là một yếu tố quan trọng trong thiết kế xây dựng, thường được xác định dựa trên tiết diện của cột. Đối với các công trình nhà dân dụng, cột có kích thước 220×220 mm rất phổ biến, nhất là khi tải trọng khá nhẹ. Điều này giúp tiết kiệm vật liệu mà vẫn đảm bảo sự vững chắc cho công trình.
Đối với các nhà cấp 4, kích thước tối thiểu của cột thường là 20 x 20 cm, thích hợp cho những công trình nhỏ. Nếu công trình có nhiều tầng hơn, kích thước cột cũng cần được điều chỉnh lớn hơn, như 25 x 25 cm hoặc 30 x 30 cm, để đảm bảo có đủ khả năng chịu lực. Việc chọn lựa kích thước cột còn phụ thuộc vào số tầng của công trình và yêu cầu về tải trọng.
Ngoài ra, theo tiêu chuẩn TCVN, việc thiết kế cột bê tông cốt thép giờ đây cũng cần chú ý đến số lượng cốt thép dọc và đường kính cốt thép, đảm bảo cột có đủ sức bền và độ ổn định trong thời gian dài. Sự cân nhắc kỹ lưỡng này không chỉ giúp công trình an toàn mà còn tiết kiệm chi phí xây dựng.

Cột bê tông cốt thép là một trong những thành phần chính của các công trình xây dựng hiện đại. Việc sử dụng cốt thép trong cột không chỉ giúp chịu lực cắt mà còn hạn chế các vết nứt phát sinh do co ngót của bê tông, tạo nên sự vững chắc cho cấu trúc. Theo tiêu chuẩn, hàm lượng cốt thép tối thiểu là 0,05%, bảo đảm cho bê tông không bị gãy hay cong.
Cốt thép thanh vằn như CB300-V, CB400-V, hay CB500-V được sử dụng phổ biến, có thể được cung cấp dưới dạng thẳng hoặc cuộn. Quy cách nối thép cột cần tuân thủ tiêu chuẩn, bảo đảm khả năng chịu lực trong các kết cấu như cột, dầm hay sàn. Điều này giúp gia tăng khả năng chịu lực kéo của bê tông cốt thép.
Khi thi công, quy trình lắp đặt cốt thép và đổ bê tông phải được thực hiện đúng kỹ thuật. Bê tông và thép cùng kết hợp tạo thành một vật liệu composite bền vững, không chỉ chịu lực tốt mà còn gia tăng độ cứng và khả năng chống cháy cho công trình.

Định mức vật liệu làm cột bê tông cốt thép là một bước quan trọng trong quá trình xây dựng, đảm bảo sự bền vững và an toàn cho công trình. Đối với bê tông đặc biệt, như bê tông chống thấm nước, việc xác định cấp phối là cực kỳ cần thiết. Ví dụ, với bê tông mác 200-b4, chúng ta cần sử dụng 5 bao xi măng PCB40, 31 thùng cát và 50 thùng đá, cùng với 10 thùng nước.
Không chỉ là tỷ lệ nguyên liệu, mà cả hao hụt vật liệu cũng cần được tính đến. Hao hụt thường được tính theo tỷ lệ phần trăm so với khối lượng gốc, giúp đảm bảo rằng quá trình thi công không vượt quá dự kiến. Hơn nữa, định mức còn liên quan đến việc sử dụng máy móc, như máy trộn vữa và máy nén khí, để tăng năng suất lao động.
Chất lượng và tiêu chuẩn của vật liệu cũng không thể xem nhẹ. Từ gạch chịu lửa đến các nguyên liệu khác, mọi thứ đều cần tuân thủ các quy định của TCVN 5574:2012 để đảm bảo kết cấu vững chắc. Việc áp dụng định mức đúng cách không chỉ giúp tiết kiệm chi phí mà còn tăng độ bền của công trình.

Cột bê tông cốt thép đóng vai trò vô cùng quan trọng trong xây dựng, góp phần nâng cao độ bền và ổn định cho các công trình. Sự kết hợp giữa bê tông và cốt thép tạo ra một vật liệu có khả năng chống chịu lực cao, đồng thời đảm bảo an toàn cho người sử dụng. Với những tiến bộ công nghệ hiện nay, việc sản xuất và thi công cột bê tông cốt thép ngày càng trở nên hiệu quả và tiết kiệm. Tương lai, cột bê tông cốt thép hứa hẹn sẽ tiếp tục phát triển và đáp ứng nhu cầu của ngành xây dựng, khẳng định vị thế của mình trong việc xây dựng những công trình kiên cố và mang lại giá trị lâu dài cho xã hội.