Physical Address
304 North Cardinal St.
Dorchester Center, MA 02124
Physical Address
304 North Cardinal St.
Dorchester Center, MA 02124

Trong xây dựng, dầm nhịp 6m là một loại kết cấu phổ biến, được sử dụng rộng rãi trong nhiều công trình dân dụng và công nghiệp. Việc bố trí thép dầm nhịp 6m đúng kỹ thuật không chỉ đảm bảo an toàn chịu lực cho công trình mà còn giúp tiết kiệm chi phí vật liệu, nâng cao hiệu quả thi công. Bài viết dưới đây sẽ giới thiệu chi tiết về bố trí thép dầm nhịp 6m, các tiêu chuẩn cần thiết, quy trình thực hiện đúng quy định, kinh nghiệm thực tế và những lưu ý quan trọng để đảm bảo chất lượng cũng như tuổi thọ cho dầm nhịp 6m trong xây dựng.
Khi thiết kế các công trình với dầm nhịp 6m, việc bố trí thép đúng cách đóng vai trò vô cùng quan trọng để đảm bảo tính an toàn và hiệu quả. Đối với nhà dân dụng, kích thước lý tưởng cho dầm là 230mm x 300mm, với chiều rộng 230mm và chiều cao khoảng 300mm. Việc này giúp dầm chịu được tải trọng tốt hơn.
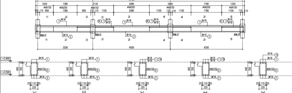
Trong quy trình bố trí thép, lớp dưới cùng thường được bố trí 3 thanh thép F16. Kế tiếp, lớp giữa sẽ có 2 thanh thép F16, và lớp trên cùng chỉ cần 1 thanh thép F16 để gia cố. Các bạn cũng nên chú ý rằng chiều cao dầm có thể điều chỉnh tùy thuộc vào tải trọng và yêu cầu cụ thể của công trình.
Ngoài ra, để cho mọi thứ được chắc chắn, nhiều người khuyên nên tăng kích thước dầm lên một chút, chẳng hạn như 200mm x 450mm hoặc 200mm x 500mm, nhất là khi xây nhà hai tầng. Việc tính toán và bố trí thép một cách hợp lý giúp tăng cường độ bền và tuổi thọ cho công trình của bạn.

Trong xây dựng nhà ở, việc thiết kế dầm nhịp lớn mà không cần cột giữa là một giải pháp đáng chú ý. Đối với nhịp dầm 6m, kích thước tiêu chuẩn thường khoảng 230mm x 300mm. Để đảm bảo an toàn và tính ổn định, việc bố trí thép là rất quan trọng.
Đầu tiên, khi bố trí thép dầm nhịp 6m, lớp dưới cùng cần có 3 thanh thép chịu lực. Lớp giữa sẽ sử dụng 2 thanh, còn lớp trên cùng chỉ cần 1 thanh. Điều này giúp phân bổ đều lực, tăng cường khả năng chịu tải cho dầm. Với cách bố trí này, bạn có thể tự tin rằng dầm sẽ có thể chịu được tải trọng mà không bị võng hay xảy ra sự cố.
Bên cạnh đó, các kỹ sư cũng nên tính toán kỹ lưỡng tải trọng và lựa chọn vật liệu phù hợp, nhằm đảm bảo cấu trúc bền vững theo thời gian. Việc chọn đúng các loại thép như D16 cho việc bố trí là cực kỳ cần thiết để tạo nên một ngôi nhà an toàn và đẹp mắt.

Khi thi công dầm nhịp 6m cho các công trình dân dụng, việc lựa chọn kích thước và bố trí thép là rất quan trọng. Với dầm có kích thước 230mm × 300mm, chiều rộng là 230mm và chiều sâu là 300mm, cần đảm bảo chất lượng bê tông sử dụng là từ cấp độ bền B20 (mác 250#) để tăng cường độ bền và tuổi thọ công trình.
Để bố trí thép một cách tối ưu, lớp thép dưới nên được bố trí 3 thanh F16, trong khi lớp trên sử dụng 2 thanh F16 và 1 thanh góc số 2. Việc này không chỉ giúp phân bổ lực tốt mà còn tăng cường khả năng chịu tải cho dầm. Điều cần lưu ý là chiều cao dầm cần đạt ≥ 300mm để đảm bảo độ cứng và khả năng chịu lực tối ưu.
Ngoài ra, liên kết giữa dầm và cột cần phải chắc chắn, tránh các sai lệch có thể xảy ra trong quá trình xây dựng. Việc tính toán tải trọng và chọn vật liệu phù hợp cũng như thiết kế chi tiết kết cấu là bước quan trọng để có một công trình vững chắc và an toàn.

Quy trình bố trí thép dầm nhịp 6m là một bước quan trọng trong thiết kế kết cấu xây dựng. Đầu tiên, bạn cần xác định yêu cầu và tải trọng mà dầm phải chịu. Điều này giúp bạn chọn lựa vật liệu phù hợp và xác định kích thước dầm cần thiết.
Tiếp theo, việc thiết kế chi tiết kết cấu là cần thiết, với các bản vẽ rõ ràng để đảm bảo mọi yếu tố được tính toán chính xác. Trong quá trình bố trí thép, sự chú ý đặc biệt đối với việc không nối thép tại các vị trí giao nhau giữa cột và dầm là rất quan trọng. Điều này giúp ngăn chặn những yếu điểm có thể xảy ra khi chịu tải.
Quá trình này không chỉ đơn thuần là làm một lần xong mà cần được thực hiện nhiều phương án để tìm ra cách bố trí tối ưu nhất. Thông thường, lựa chọn 3–4 thanh thép D18–D22 cho lớp dưới và 2–3 thanh cho lớp trên sẽ là lựa chọn hợp lý, tùy thuộc vào tải trọng cụ thể. Cuối cùng, hãy chắc chắn rằng mọi yếu tố đều tuân thủ các nguyên tắc kỹ thuật để đảm bảo kết cấu vững chắc và độ bền lâu dài cho công trình.

Khi thiết kế dầm nhịp 6m cho các công trình dân dụng, việc chọn kích thước hợp lý là rất quan trọng. Thông thường, kích thước dầm được khuyến nghị là 230mm cho chiều rộng và 300mm cho chiều sâu. Với kích thước này, dầm không chỉ đảm bảo khả năng chịu lực mà còn phù hợp với kiến trúc nhà ở, mang lại không gian thoáng đãng, dễ chịu.
Bố trí thép trong dầm nhịp 6m cũng cần được chú ý kỹ lưỡng. Cụ thể, lớp dưới cùng cần bố trí 3 thanh thép F16, lớp giữa có 2 thanh F16, và lớp trên cùng chỉ cần 1 thanh F16. Điều này giúp tăng cường độ bền cho dầm, đảm bảo an toàn trong quá trình sử dụng. Đặc biệt, chiều cao dầm cũng được khuyến nghị từ 300mm trở lên để đảm bảo độ cứng và tránh hiện tượng võng.
Ngoài ra, việc liên kết giữa dầm và cột phải được thực hiện chắc chắn, tránh sai lệch trong thi công. Điều này không chỉ đảm bảo cho kết cấu công trình mà còn là yếu tố then chốt cho sự an toàn và bền vững của ngôi nhà. Khi chuẩn bị hồ sơ thiết kế, hãy chắc chắn rằng bạn đã tính toán kỹ lưỡng về kết cấu và hình dạng của thép dầm để có được sản phẩm hoàn hảo nhất.

Khi bố trí thép dầm cho nhịp 6m, điều quan trọng nhất là phải đảm bảo tính vững chắc và an toàn cho kết cấu. Việc phân chia thép dầm theo tiết diện ngang và dọc là rất cần thiết. Thông thường, bạn nên sử dụng 3 thanh thép cho lớp dưới cùng, 2 thanh cho lớp giữa và 1 thanh cho lớp trên. Cách bố trí này không chỉ giúp phân bổ lực đều mà còn tăng khả năng chịu tải cho dầm.
Ngoài ra, khi thiết kế cột và dầm lớn để tạo ra nhà nhịp lớn mà không cần cột ở giữa, các kỹ sư phải tính toán chính xác chiều cao dầm để có thể bố trí cốt thép chịu lực và cốt thép đai đúng tiêu chuẩn. Điều này sẽ giúp cho công trình có tuổi thọ lâu dài và giảm thiểu nguy cơ hư hỏng.
Một lưu ý quan trọng trong quá trình thi công là phải tuân thủ các nguyên tắc thiết kế, từ lựa chọn kích thước thép đến xác định phương pháp bố trí để đạt hiệu suất cấu trúc tối ưu. Những điều này sẽ là nền tảng cho một công trình kiên cố và bền vững.

Trong quá trình bố trí thép cho dầm nhịp 6m, một vài lưu ý quan trọng cần được chú ý để đảm bảo tính an toàn và hiệu quả của công trình. Kích thước lý tưởng cho dầm nên là 230mm × 300mm, với chiều rộng 230mm và chiều sâu 300mm. Bên cạnh đó, việc bố trí đai chống cắt tại các vị trí dầm giao nhau hoặc nơi chịu lực lớn là rất cần thiết.
Điều quan trọng nữa là xác định vị trí đặt cốt thép. Hãy chú ý đặt cốt thép vào những nơi có momen lớn nhất để tăng cường độ bền cho dầm. Đặc biệt, nguyên tắc tăng cường thép tại giữa nhịp và gối đỡ là phương pháp hiệu quả để hạn chế tình trạng nứt hoặc võng trong quá trình sử dụng.
Ngoài ra, trong thiết kế, chiều cao dầm cần được đảm bảo từ 200mm đến 250mm khi đặt vào tường, phù hợp với không gian và khoảng cách giữa các dầm. Tất cả những điều này đều góp phần tạo nên một cấu trúc vững chắc và giảm thiểu chi phí thi công cho chủ đầu tư.

Khi thi công dầm nhịp 6m trong các công trình xây dựng, việc bố trí thép là rất quan trọng để đảm bảo độ chịu lực và độ bền. Trước hết, chiều cao dầm cần đạt tối thiểu 300mm nhằm tăng cường độ cứng cho kết cấu. Liên kết giữa dầm và cột cũng cần phải được thực hiện chắc chắn, để tránh những sai lệch không mong muốn.
Bố trí thép trong dầm không phải là công việc có thể hoàn thành trong một lần. Thông thường, cần thử nghiệm nhiều phương án khác nhau để tìm ra cách bố trí tối ưu nhất. Một phương pháp phổ biến là sử dụng cấu trúc ba lớp. Trong đó, lớp dưới cùng sẽ có ba thanh thép, lớp giữa là hai thanh, và lớp trên cùng chỉ một thanh thép. Các thanh thép này cần được lựa chọn kỹ càng về loại và kích thước để đảm bảo tính an toàn và kết cấu bền vững.
Cuối cùng, việc tính toán tải trọng, lựa chọn vật liệu và thiết kế chi tiết kết cấu là những bước không thể thiếu trong quá trình thi công. Có thể tham khảo thêm các tài liệu và bản vẽ chi tiết để có cái nhìn tổng quát và chính xác hơn về bố trí thép cho dầm nhịp 6m.

Trong thiết kế nhà nhiều tầng, việc bố trí thép cho dầm nhịp 6m là một yếu tố rất quan trọng. Kích thước và cách bố trí thép sẽ phụ thuộc vào số tầng và tải trọng tác dụng lên dầm. Đối với dầm nhịp 6m, việc bố trí thép chính cần được tính toán kỹ lưỡng để đảm bảo kết cấu chắc chắn và an toàn.
Một phương pháp phổ biến là bố trí thép với 1 lớp dưới gồm 3 thanh F16, lớp trên sử dụng thanh góc số 2 với 2 thanh F16 và thêm 1 thanh F16 cho vị trí số 3. Nhờ đó, dầm sẽ có khả năng chịu tải tốt hơn, nhất là tại những vị trí dễ gặp nứt và võng. Nguyên tắc quan trọng là tăng cường thép tại giữa nhịp và gối đỡ để bảo đảm tính bền vững của công trình.
Hơn nữa, chiều cao của dầm cũng ảnh hưởng lớn đến khả năng chịu lực. Bạn nên chú ý duy trì chiều cao dầm ≥ 200mm để tối ưu hóa khả năng chịu tải và kéo dài tuổi thọ công trình. Qua đó, việc tính toán và thiết kế chi tiết không chỉ giúp căn nhà vững chãi mà còn đảm bảo tính thẩm mỹ và công năng sử dụng cho không gian sống.

Phương pháp bố trí thép cho dầm nhịp 6m là một giải pháp tối ưu để xây dựng những ngôi nhà lớn mà không cần cột ở giữa, giúp không gian bên trong trở nên thông thoáng và linh hoạt. Để đảm bảo kết cấu vững chắc, kỹ sư cần xem xét các yếu tố như tải trọng và số tầng của công trình, từ đó xác định kích thước dầm bản, dầm sơ cấp và dầm phụ.
Lựa chọn cốt thép dọc cũng rất quan trọng. Theo tiêu chuẩn, dầm nhịp 6m thường sử dụng cốt thép có đường kính khoảng D22–D28 cho lớp chịu kéo, kết hợp với thép đai D8–D10 với bước đai 100–120mm ở gối. Điều này giúp đảm bảo khả năng chịu lực và tính bền vững của công trình.
Ngoài ra, chiều cao dầm cũng cần được tính toán kỹ lưỡng. Với dầm nhịp 6m, chiều cao lý tưởng thường từ 40cm đến 50cm, vừa đáp ứng tính thẩm mỹ, vừa đảm bảo khả năng chịu lực. Với những lưu ý trên, việc bố trí thép cho dầm nhịp 6m sẽ giúp xây dựng những ngôi nhà kiên cố và đẹp mắt.

Kết luận, việc áp dụng công nghệ và vật liệu tiên tiến trong thiết kế và thi công Bố Trí Thép Dầm Nhịp 6M không chỉ mang lại hiệu quả kinh tế mà còn đảm bảo an toàn và độ bền cho công trình. Sự kết hợp giữa kỹ thuật hiện đại và kinh nghiệm thực tiễn sẽ giúp các kỹ sư vượt qua thách thức trong ngành xây dựng. Hy vọng rằng, những thông tin và phân tích trong bài viết sẽ góp phần nâng cao nhận thức và nâng cao chất lượng thiết kế, thi công dầm thép, đẩy mạnh phát triển hạ tầng ở Việt Nam trong tương lai.