Physical Address
304 North Cardinal St.
Dorchester Center, MA 02124
Physical Address
304 North Cardinal St.
Dorchester Center, MA 02124

Dầm là một trong những bộ phận chịu lực chủ yếu trong kết cấu công trình, đóng vai trò quan trọng trong việc đảm bảo độ ổn định và an toàn cho toàn bộ kiến trúc. Đặc biệt, việc bố trí thép dầm nhịp 5m cần tuân thủ các tiêu chuẩn kỹ thuật nhằm phát huy tối đa khả năng chịu lực, hạn chế nứt vỡ, sập lún công trình. Trong bài viết này, chúng ta sẽ cùng tìm hiểu chi tiết về các vấn đề xoay quanh nghệ thuật bố trí, cấu tạo, kích thước, quy trình thi công và những lưu ý cần thiết khi thiết kế thép dầm nhịp 5m.
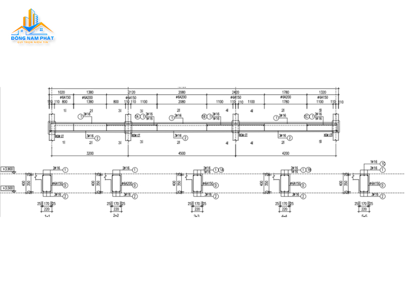
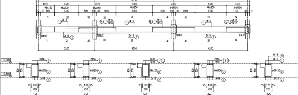
Bố trí thép dầm nhịp 5m là một trong những tiêu chuẩn phổ biến trong xây dựng hiện nay, được nhiều nhà thiết kế lựa chọn cho các công trình nhà ở. Nguyên tắc cơ bản khi bố trí là sử dụng mô men dương cho phần cốt thép dưới, thường là 3 thanh F16, và mô men âm cho phần cốt thép phía trên với các thanh F16 cỡ nhỏ hơn.
Điều đặc biệt là việc sử dụng sàn hộp XF-BOX giúp giảm trọng lượng của công trình từ 15 đến 20% so với sàn đặc, điều này có ý nghĩa quan trọng trong việc tối ưu hóa chi phí và cải thiện khả năng vượt nhịp cho các dầm có chiều dài từ 5m đến 8m.
Ngoài ra, kích thước phổ biến cho cột dầm thường là 200x200mm cho cột và 200x350mm cho dầm, giúp đảm bảo sự chắc chắn và an toàn cho công trình. Khi áp dụng đúng các nguyên tắc này, dầm thép 5m sẽ có khả năng chịu lực cao, từ đó tăng độ bền cho toàn bộ kết cấu nhà. Đây chính là lý do vì sao việc bố trí thép dầm nhịp 5m lại quan trọng và cần thiết trong kỹ thuật xây dựng.

Bố trí thép dầm 5m là một trong những kỹ thuật quan trọng góp phần làm nên sự vững chắc cho công trình xây dựng. Đối với các vùng có tải trọng lớn, việc tính toán cẩn thận và chính xác trong việc chọn cốt thép là điều cần thiết. Thông thường, bạn sẽ đặt thép ở những vị trí có diện tích mô men lớn nhất, góp phần tối ưu hóa kết cấu.
Cụ thể, trong dầm nhịp 5m, lớp dưới sẽ có 3 thanh thép F16, còn lớp trên thường gồm 2 thanh F16 cho thanh góc số 2 và 1 thanh F16 cho thanh số 3. Việc bố trí theo mô hình này đảm bảo sự đồng nhất và an toàn cho kết cấu, cũng như phù hợp với kích thước cột dầm thông thường như 200×200 và 200×350.
Ngoài ra, sử dụng giải pháp sàn hộp XF-BOX giúp giảm trọng lượng công trình lên đến 15-20%, từ đó dễ dàng vượt nhịp 5-8m. Việc bố trí thép dầm đúng kỹ thuật không chỉ tăng cường độ bền mà còn đảm bảo sự an toàn cho toàn bộ công trình của bạn.

Bố trí thép dầm nhịp 5m là một khâu quan trọng trong thiết kế xây dựng, nhằm đảm bảo độ bền và an toàn cho công trình. Đối với dầm nhịp 5m, tiết diện cột thường được sử dụng là 200×200 mm, còn dầm thường có kích thước 200×350 mm. Để chịu lực tốt, thiết kế thường chọn 2 phi16 và 2 phi14 cho bó thép ở giữa nhịp và gối dầm.
Chiều cao dầm nên được điều chỉnh từ 300 đến 450 mm, tùy thuộc vào yêu cầu cụ thể của công trình. Khi bố trí thép dầm, cần lưu ý rằng cốt thép chịu lực ở phía trên sẽ hỗ trợ cho vùng momen âm, trong khi vùng momen dương sẽ có cốt thép nằm ở phía dưới.
Cụ thể, tại lớp dưới nên có 3 thanh F16, trong khi lớp trên bố trí 2 thanh F16 ở phần góc và 1 thanh F16 khác để gia cường. Khâu này không chỉ đảm bảo tính thẩm mỹ mà còn tạo ra sự cân bằng tốt cho cấu trúc, hỗ trợ hiệu quả cho mọi tải trọng tác động lên dầm.

Bố trí thép dầm 5m là một bước quan trọng trong quá trình xây dựng, ảnh hưởng trực tiếp đến độ bền và an toàn của công trình. Để đảm bảo tính hiệu quả, tiết diện cột thường được sử dụng là 200×200 mm và dầm nhịp là 200×350 mm, với các thanh thép như 2 phi 16 và 2 phi 14 được sắp xếp ở giữa nhịp và gối dầm.
Chiều cao dầm thường dao động từ 300 đến 450 mm, tùy thuộc vào yêu cầu kỹ thuật của từng công trình. Việc lựa chọn đường kính của cốt thép dọc là bước đầu tiên và rất quan trọng, giúp dầm có khả năng chịu lực tốt hơn. Đối với dầm nhịp 5m, lớp dưới thường có 3 thanh F16, trong khi lớp trên sẽ bao gồm 2 thanh F16 cho thanh góc số 2 và 1 thanh F16 cho thanh số 3.
Nguyên tắc cơ bản là cốt thép chịu lực phải được bố trí phù hợp: ở vùng chịu mô men âm đặt ở phía trên, còn ở vùng chịu mô men dương, lớp thép cần được bố trí ở phía dưới. Điều này giúp tăng cường độ bền cho dầm, đảm bảo công trình được an toàn và hiệu quả trong sử dụng.

Cấu tạo thép dầm nhịp 5m là một yếu tố quan trọng trong xây dựng, giúp đảm bảo tính an toàn và bền vững cho công trình. Để chịu lực hiệu quả, thường sử dụng cốt thép có đường kính Ø16, Ø18 hoặc Ø20, phụ thuộc vào tải trọng cụ thể. Cốt thép đai cũng rất cần thiết, với các kích thước từ Ø6a150 đến Ø8a200, nhằm chống nứt xiên và gia cường cho dầm.
Dầm thường được thiết kế với kích thước chuẩn, như dầm 200x350mm và cột 200x200mm. Bố trí thép cho dầm nhịp 5m cần được thực hiện một cách chính xác. Thông thường, lớp dưới sẽ bao gồm 3 thanh phi 16 (F16), trong khi lớp trên sẽ sử dụng 2 thanh F16 cho góc số 2 và 1 thanh F16 cho góc số 3. Như vậy, dầm sẽ chịu được momen dương và momen âm hiệu quả hơn.
Tùy thuộc vào nhu cầu sử dụng, từng chi tiết nhỏ trong cấu tạo thép dầm có thể ảnh hưởng đến độ bền và an toàn của cả công trình. Lựa chọn vật liệu và thiết kế hợp lý không chỉ giúp công trình lâu bền mà còn tiết kiệm chi phí trong dài hạn.

Kích thước của thép dầm nhịp 5m đóng vai trò quan trọng trong các công trình xây dựng. Chiều dài nhịp dầm được xác định là 5m, tính từ khoảng cách tim cột hoặc gối tựa. Chiều cao dầm thường được thiết kế từ 300 đến 450 mm, tuỳ thuộc vào yêu cầu của công trình cụ thể.
Trong việc bố trí thép cho dầm nhịp 5m, các kích thước cột dầm phổ biến như 200×200 và dầm 200×350 phù hợp nhất. Người thiết kế thường lựa chọn giữa các loại dầm có chiều dài khác nhau như 5m, 7m và 9m, vậy nên cần thực hiện các thử nghiệm để tìm ra phương pháp tối ưu nhất.
Cụ thể, để đảm bảo độ bền vững, thép được bố trí với 1 lớp dưới là 3 thanh F16, còn lớp trên gồm 2 thanh F16 ở thanh góc số 2 và 1 thanh F16 ở thanh số 3. Các kích thước dầm sẽ thay đổi tùy theo khẩu độ, ví dụ từ 4,5m đến 5,5m nên có kích thước dầm 200×350. Việc tính toán cẩn thận không chỉ nâng cao hiệu suất mà còn đảm bảo an toàn cho toàn bộ công trình.

Bố trí thép dầm nhịp 5m là một yếu tố quan trọng trong thiết kế kết cấu công trình xây dựng. Để đảm bảo kết cấu an toàn và hiệu quả, cần tuân thủ những nguyên tắc cơ bản. Mô men dương được tập trung vào phần cốt thép dưới, trong khi mô men âm xuất hiện ở phần trên.
Chúng ta cần chú ý đến số lượng và loại thép được bố trí. Cụ thể, trong lớp dưới, thường sử dụng 3 thanh thép F16 để chịu lực kéo. Lớp trên sẽ bao gồm 2 thanh F16 và 1 thanh F16 bố trí từ thanh góc số 2 đến thanh số 3 nhằm gia cường cho dầm.
Bên cạnh đó, khi thiết kế, phải đảm bảo rằng đường kính thanh thép không vượt quá 1/10 chiều rộng dầm để duy trì tính ổn định. Đây là những tiêu chí cơ bản giúp dầm thép nhịp 5m không chỉ đáp ứng yêu cầu kỹ thuật mà còn tối ưu hóa khả năng chịu lực. Việc tuân thủ các tiêu chuẩn này sẽ đảm bảo sự an toàn và bền vững cho công trình trong suốt thời gian sử dụng.

Khi bố trí thép cho dầm nhịp 5m trong xây dựng, có nhiều yếu tố cần cân nhắc. Đầu tiên, chiều cao dầm thường dao động từ 300 đến 450 mm, tùy thuộc vào yêu cầu kỹ thuật của công trình. Việc xác định bố trí thép cũng quan trọng không kém, bởi đây chính là nơi tiếp nhận các lực mô men uốn và lực cắt.
Bố trí thép dầm nhịp 5m thường bao gồm hai lớp. Lớp dưới là nơi chịu tải trọng lớn hơn, được bố trí 3 thanh thép phi 16 (F16). Trong khi đó, lớp trên chủ yếu chịu momen âm tại gối dầm, thường sử dụng 2 thanh F16 cho khu vực góc và 1 thanh F16 để tăng cường tại điểm khác.
Quá trình này không chỉ dừng lại ở một lần mà cần thử nghiệm nhiều phương án để tìm ra cách bố trí tối ưu nhất. Đai Ø8 cũng được sử dụng để gia cố thêm, với khoảng cách 150-200mm giữa các thanh, đảm bảo dầm có độ bền vững cao. Tất cả những yếu tố này kết hợp lại tạo nên một bố trí thép chuẩn kỹ thuật, đảm bảo an toàn cho công trình.

Thép dầm nhịp 5m là một phần rất quan trọng trong kết cấu xây dựng, giúp đảm bảo sự an toàn và bền vững cho công trình. Về cơ bản, phần cốt thép được bố trí trong dầm chiều dài 5 mét này phải đảm bảo các yếu tố như mô men dương và mô men âm. Cụ thể, mô men dương sẽ được chịu bởi phần cốt thép dưới, trong khi mô men âm sẽ thuộc về phần cốt thép ở phía trên.
Khi bố trí thép dầm nhịp 5m, người thiết kế sẽ thực hiện theo các chuẩn kỹ thuật nhất định. Ở lớp dưới, họ định hình ba thanh F16, còn ở lớp trên lại theo cách bố trí khác với hai thanh F16 cho thanh góc số 2 và một thanh F16 cho thanh số 3. Việc sử dụng các kích thước dầm phổ biến như 200 x 350 mm là điều rất cần thiết để phù hợp với kích thước cột dầm.
Đối với chiều cao dầm, kỹ sư thường tính toán khoảng 1/10 hoặc 1/11 của nhịp dầm. Chẳng hạn, với nhịp 6m, chiều cao dầm nên đạt khoảng 60cm. Để tránh tình trạng võng sàn, việc đổ sàn dày từ 12cm cũng là điều cần thiết. Những chi tiết nhỏ nhưng cực kỳ quan trọng này góp phần tạo nên một công trình an toàn và đẹp mắt.

Bố trí thép dầm nhịp 5m là một phần quan trọng trong quá trình xây dựng, đảm bảo độ bền và an toàn cho công trình. Đầu tiên, cần nắm rõ nguyên tắc sắp xếp cốt thép, nơi khi chịu lực thì phần thép dọc sẽ ở dưới để chịu mô men dương và phần trên sẽ chịu mô men âm.
Thông thường, một dầm nhịp 5m sẽ có chiều cao từ 300 đến 450 mm. Đối với bố trí thép, lớp dưới sẽ có ba thanh F16, trong khi lớp trên sẽ gồm hai thanh F16 và một thanh F16 gia cường. Việc bố trí này rất cần thiết để tăng cường khả năng chịu lực của dầm.
Ngoài ra, khi bố trí thép, bạn cũng cần chú ý đến khoảng cách tim cột và khoảng cách gối tựa, để đảm bảo tính chính xác cho cấu trúc. Việc thực hiện đúng cách bố trí thép không chỉ giúp tăng cường độ bền mà còn đảm bảo an toàn cho toàn bộ công trình.
Nếu bạn đang tìm hiểu cách thực hiện hạng mục này, hãy tham khảo các hướng dẫn chi tiết để có thể làm đúng kỹ thuật nhất nhé!

Trong bài viết này, chúng ta đã cùng nhau khám phá các khía cạnh của bố trí thép dầm nhịp 5m, từ thiết kế đến thi công, cũng như ứng dụng thực tiễn trong xây dựng. Nhờ vào việc sử dụng chất liệu thép chất lượng và kỹ thuật bố trí hợp lý, dầm nhịp 5m không chỉ mang lại sự vững chắc mà còn tối ưu hóa khả năng chịu tải. Điều này góp phần nâng cao hiệu quả kinh tế và tính bền vững cho công trình. Với sự phát triển không ngừng của công nghệ xây dựng, hy vọng rằng những phương pháp này sẽ ngày càng được cải tiến, đáp ứng tốt hơn nhu cầu thực tiễn trong xây dựng hiện đại.